此焊接头在铜、铝、不锈钢、碳钢等金属焊接应用中有
很强的优势,是一款经济高效的焊接头
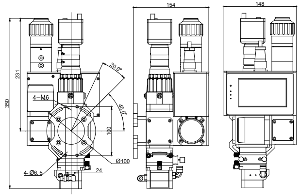
焊接头采用双振镜电机驱动,具有多种摆动焊接模式,
满足各种焊接需求
4.3寸电容触摸屏,集成操控,操作简单、方便,可选配
内置CCD成像功能
可配各种带QBH接头的激光器
全光学及本体水冷,提高焊接头的稳定性及使用寿命
稳定可靠可承载6000W功率
|
技术参数/ Technical parameter |
|
|
[敏感词]功率 |
6000W |
|
准直 / 聚焦焦距 |
F125/F200 F250/300 |
|
摆动范围 |
0.1—5mm |
|
冷却方式 |
水冷 |
|
摆动频率 |
0—300Hz |
|
重量 |
4.6KG |
|
选配 |
同轴、风刀、送丝机构、侧吹、红光支架 |