服务热线

0755-2988 6689

快速询价
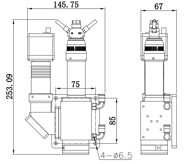
能升激光焊接头-NS20Y-E激光直输焊接头
能升激光焊接头-NS20Y-E激光直输焊接头
能升激光焊接头-NS20Y-E激光直输焊接头
能升激光焊接头-NS20Y-E激光直输焊接头
能升激光焊接头-NS20Y-E激光直输焊接头
产品特点:
*此焊接头在铜、铝、不锈钢、碳钢等金属焊接应用中有很强的优势,
是一款经济高效的焊接头

*可配各种带 QBH 接头的激光器

*全光学及本体水冷,提高焊接头的稳定性及使用寿命

*稳定可靠可承载 2000W 功率
产品详情

067c4b45-240c-4ba8-9c53-4a2b4d58be3b.png


咨询/投诉
weixin
0755-29886689